J-X系列柱塞式計量泵
以下為系列產品選型范圍,具體型號參考性能參數表
流量范圍: 0-150(L/h)
壓力范圍: 0-50(Mpa)
驅動系統: 兩相、三相標準電極或防爆電機
泵頭材質:SUS304, SUS316
常規產品全部現貨供應,縮短了交貨期。
應用領域:廣泛應用于石油化學工業、醫藥、飲食、火電廠、核電、環境保護、礦山、國防等科研和生產部門。
產品介紹
產品介紹
可調流量范圍: 0-150 L/H
壓力范圍: 0-50MPa
電機功率: 0.37KW, 0.55KW, 220V / 380V / 400V, 50/60HZ
驅動系統: 兩相、三相標準電機或防爆電機
流量控制方式:手動控制, 自動控制
防護等級: IP55,IP54 |
材料
泵頭: SUS304, SUS316
隔膜: PTFE
單向閥: SUS304, SUS316, PVC, PTEF
閥球: 氧化鋯、304、316、陶瓷、二氧化硅
工作條件
環境溫度: -30℃---90℃ |
技術參數
| 型號(MODEL) |
流量
FLOW (L/H) |
壓力PRESSURE (MPa) |
柱塞直徑
PlugDiameter
(mm) |
行程stroke (mm) |
泵速Pumpspeed
(min-1) |
電機功率Power (kw) |
進出口徑CALIBER (DN) |
重量WEIGHT (kg) |
| J-X2.5/50 |
2.5 |
50 |
6 |
20 |
48/96 |
0.55 |
6 |
25 |
| J-X2.5/38 |
2.5 |
38 |
6 |
0.37 |
| J-X4.2/32 |
4.2 |
32 |
8 |
0.55 |
| J-X4.2/21 |
4.2 |
21 |
8 |
0.37 |
| J-X8/20 |
8 |
20 |
10 |
0.55 |
| J-X8/13 |
8 |
13 |
10 |
0.37 |
| J-X12/14 |
12 |
14 |
12 |
0.55 |
| J-X12/9.0 |
12 |
9.0 |
12 |
0.37 |
| J-X20/7.6 |
20 |
7.6 |
16 |
0.55 |
| J-X20/5.4 |
20 |
5.4 |
16 |
0.37 |
| J-X32/5.0 |
32 |
5.0 |
20 |
0.55 |
| J-X32/3.5 |
32 |
3.5 |
20 |
0.37 |
| J-X50/3.2 |
50 |
3.2 |
25 |
0.55 |
| J-X50/2.2 |
50 |
2.2 |
25 |
0.37 |
10 |
28 |
| J-X65/2.5 |
65 |
2.5 |
28 |
0.55 |
| J-X65/1.7 |
65 |
1.7 |
28 |
0.37 |
| J-X80/2.0 |
80 |
2.0 |
32 |
0.55 |
| J-X80/1.3 |
80 |
1.3 |
32 |
0.37 |
| J-X100/1.6 |
100 |
1.6 |
35 |
0.55 |
15 |
30 |
| J-X100/1.0 |
100 |
1.0 |
35 |
0.37 |
| J-X125/1.3 |
125 |
1.3 |
38 |
0.55 |
| J-X125/0.8 |
125 |
0.8 |
38 |
0.37 |
| J-X150/1.0 |
150 |
1.0 |
42 |
0.55 |
| J-X150/0.6 |
150 |
0.6 |
42 |
0.37 |
特點
1.柱塞泵使用的排出壓力范圍比較廣泛,且宜制成高壓泵
2.結構簡單,維修方便,價格具有競爭優勢
3.柱塞直徑很小,通常在6-50mm.
4.使用絕緣,冷卻或加熱泵缸控制介質溫度。
應用
計量泵廣泛應用于化工、石油化工、電力、醫藥、采礦、造船、輕工、農業、國防等領域。
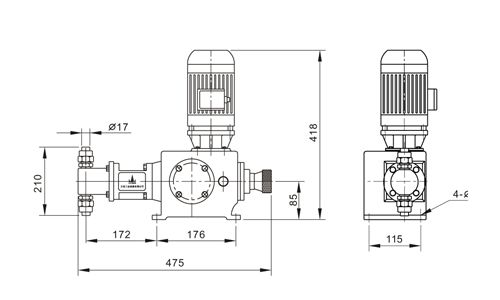
尺寸

因產品生產批次、型號不同,產品圖片及外形尺寸等僅供參考,詳情可聯系我們的銷售人員